
99.28kW 태양광 5개소 분양
충북 증평군 위치
개발행위허가 완료됨
한전 선로 계통 용량 확보함
① 지목) 답 [계획관리구역]
② 토지 평수) 5개소 전체 평수 - 2356평
1개소 (진입로를 포함) 평수 - 약 430평
③ 모듈) 국내산 한화 큐피크 365W 모델
* 272장 = 99.28키로
④ 인버터) 에스엠에이(SMA) 25키로 * 4대
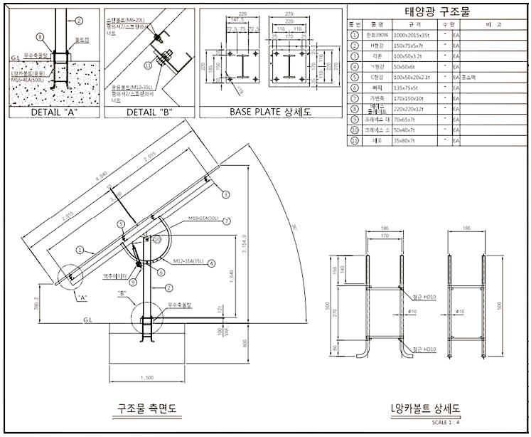
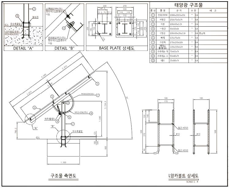
⑤ 구조물) H빔 엑추에이터 가변 고정가변형 적용
《 REC가중치 : 1.2 》







충북 증평군 현장 배치도 & 현장 VIEW
▼▼▼▼























개발행위허가 완료됨
한전 선로 계통 용량 확보함
[ 19년 9월 준공 예정 ]
① 지목) 답 [ 계획관리구역 ]
② 토지 평수) 5개소 전체 평수 - 2356평
1개소 (진입로를 포함) 평수 - 약 430평
③ 모듈) 국내산 한화 큐피크 365W 모델
* 272장 = 99.28키로
④ 인버터) 에스엠에이(SMA) 25키로 *4대
⑤ 구조물) H빔 엑추에이터 가변 고정가변형 적용
《 REC가중치 : 1.2 》
99.28kW 충북 증평군 태양광 발전소 분양가
ⓐ 계약금 - 이천 삼백 오십 이만원
ⓑ 1차 중도금(=토지비용) - 사천 일백 팔십만원
{ 개발행위허가 완료 기준 (현재) }
ⓒ 2차 중도금 - 오천만원
{ 자재입고 기준}
ⓓ 잔금 - 일억 오천만원 (금융기관으로부터 대출)
토지비용 - 사천 일백 팔십만원
시설비용 - 이억 삼백 이십만원
………
= 합계 - 이억 사천 오백만원
+
부가세 - 이천 삼십 이만원 (시설비에만 포함됨)
∴ 총 합계 - 이억 육천 오백 삼십 이만원 (부가세 포함)
** 농지전용부담금 별도 지불, 한전 연계비용은 포함











'RPS 태양광 발전사업 정보' 카테고리의 다른 글
| 태양광 분양 매매 충청북도 청주시 100kW 발전소 (0) | 2019.06.19 |
|---|---|
| 태양광 분양 매도 100kW 충청북도 옥천군 파랑티에스에너지 (0) | 2019.06.19 |
| 태양광, 모듈 각도 영향 파랑티에스에너지 (1) | 2019.06.18 |
| 태양광 사업, 모듈, 인버터, 접속반, 구조물 풀이 파랑티에스에너지 (0) | 2019.06.18 |
| 파랑티에스에너지 모듈 인버터 자재 공동구매 정보 (1) | 2019.06.18 |
댓글